8868体育[世界杯官方合作平台]-全网最权威热门体育赛事直播免费在线平台
首页
产品中心
整体式太阳能
阳台式太阳能
别墅式太阳能
空气能热水器
商用热水产品
采暖制冷产品
商用方案
多层住宅方案
别墅住宅方案
高层住宅方案
集中热水方案
工业应用方案
方案设计咨询
服务中心
售后服务
在线咨询
安装视频
常见问题
关于我们
公司简介
公司荣誉
公司动态
联系我们
加盟合作
加盟政策
终端形象
在线加盟
人才招聘
招聘启事
信息提交
多层住宅方案
别墅住宅方案
高层住宅方案
集中热水方案
工业应用方案
方案设计咨询
工业生产(热水/烘干系统)
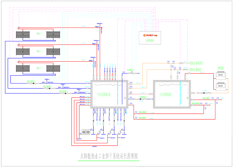
嘉兴市同济阳光新能源有限公司经过专业技术团队的研究,掌握了利用太阳能设备和空气源热泵设备作为烘干热源的全套工业烘干技术。 该技术中的热源主要由太阳能集热器提供,空气源热泵作为辅助加热能源,在阴雨天气太阳能效果不好时提供补充能源;该技术可同时满足水暖烘干生产线和风暖烘干生产线的热源需求;正常晴好条件下,太阳能集热器可以产生足够的热量,企业几乎以零成本来获得足够烘干热能,阴雨天气时利用空气源热泵设备进行辅助加热,能耗仅为电锅炉的25%左右。
所属分类
工业应用方案
产品描述
嘉兴市同济阳光新能源有限公司经过专业技术团队的研究,掌握了利用太阳能设备和空气源热泵设备作为烘干热源的全套工业烘干技术。
该技术中的热源主要由太阳能集热器提供,空气源热泵作为辅助加热能源,在阴雨天气太阳能效果不好时提供补充能源;该技术可同时满足水暖烘干生产线和风暖烘干生产线的热源需求;正常晴好条件下,太阳能集热器可以产生足够的热量,企业几乎以零成本来获得足够烘干热能,阴雨天气时利用空气源热泵设备进行辅助加热,能耗仅为电锅炉的25%左右。
项目应用案例
项目应用案例
项目应用案例